Оптовый склад: г. Харьков, ул. Василия Стуса, 13
Наш адрес:
Оптовый склад: г. Харьков, ул. Василия Стуса, 13
Время работы
Время работы магазина:
  • Заказы через сайт принимаются - круглосуточно
  • Менеджер - ежедневно с 8:00 до 18:00
Заказать звонок

Теплоаккумулятор Thermo Alliance TAI-10 2000 с теплообменником 1,4 кв. м с изоляцией 60 мм


  • Наличие: Нет в наличии
  • Код Товара: SD00046646
Отзывы: (0)
Производитель: Thermo Alliance
Продано
Бесплатная доставка
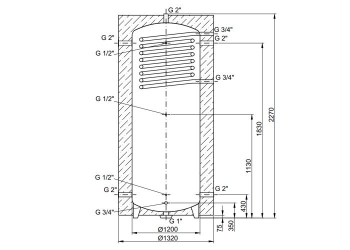
Функция теплоаккумулятора Thermo Alliance TAI-10 2000 — накопление, сохранение, передача теплоносителя от источников непостоянного действия (котлы, теплонасосы, гелиоколлекторы и др.), работающих в одной системе. Буферный бак снабжен верхним витым теплообменником, изготовленным из нержавеющей стали. Змеевик нагревает воду для бытовых нужд, в традиционной сети с газовым котлом выполняет роль бойлера горячего водоснабжения. Теплоизоляция толщиной 6 см сделана из пенополиуретана/пенополистирола.
Характеристики
Характеристики
Бренд Thermo Alliance
Тип изделия Теплоаккумулятор
Артикул TAI01200060
Вес нетто, кг 224
Гарантия 60 мес.
Комплектация Монтажный крепеж, инструкция, гарантийный талон
Страна регистрации бренда Украина
Вес брутто, кг 232
Страна производитель Украина
Габаритные размеры изделия (ВхШхГ), мм 2105х1360х1360
Класс энергоэффективности C
Габаритные размеры упаковки (ВхШхГ), мм 2235х1410х1410
Максимальное рабочее давление, бар 3
Максимальная рабочая температура, °C 95
Толщина теплоизоляции, мм 60
Объем, л 2043
Тип покрытия внутреннего бака Без покрытия
Диаметр подключения к системе отопления 2"
Материал теплоизоляции тип Neodul
Порт под ТЭН 1" 1/2
Порт под термодатчик (рециркуляция) 1/2"
Разнос подключения 180°
Тепловые потери ΔT=45К, Вт/ч 170
Толщина днища, мм 3
Толщина обечайки, мм 3
Диаметр подключения теплообменника (верх.) 3/4"
Макс. давление теплообменника (верх.), бар 10
Максимальная температура теплообменнка (верх.), °C 100
Материал теплообменника (верх.) AISI 304
Объем теплообменника (верх.), л 4,25
Площадь теплообменника (верх.), м² 1,4
Тип теплообменника (верх.) Спиральный
от производителя, возврат или обмен в течении 14 дней.
любая форма расчёта: наличный и безналичный расчет, банковской картой и наложенным платежом. Доставка по всей Украине любой службой доставки.
Здесь вы можете оставить или посмотреть отзывы о магазине, обслуживании персонала, доставке товара и оплате!
Отзывов0
0/ 5
средний рейтинг товара
0
0
0
0
0
Нет отзывов об этом товаре.